
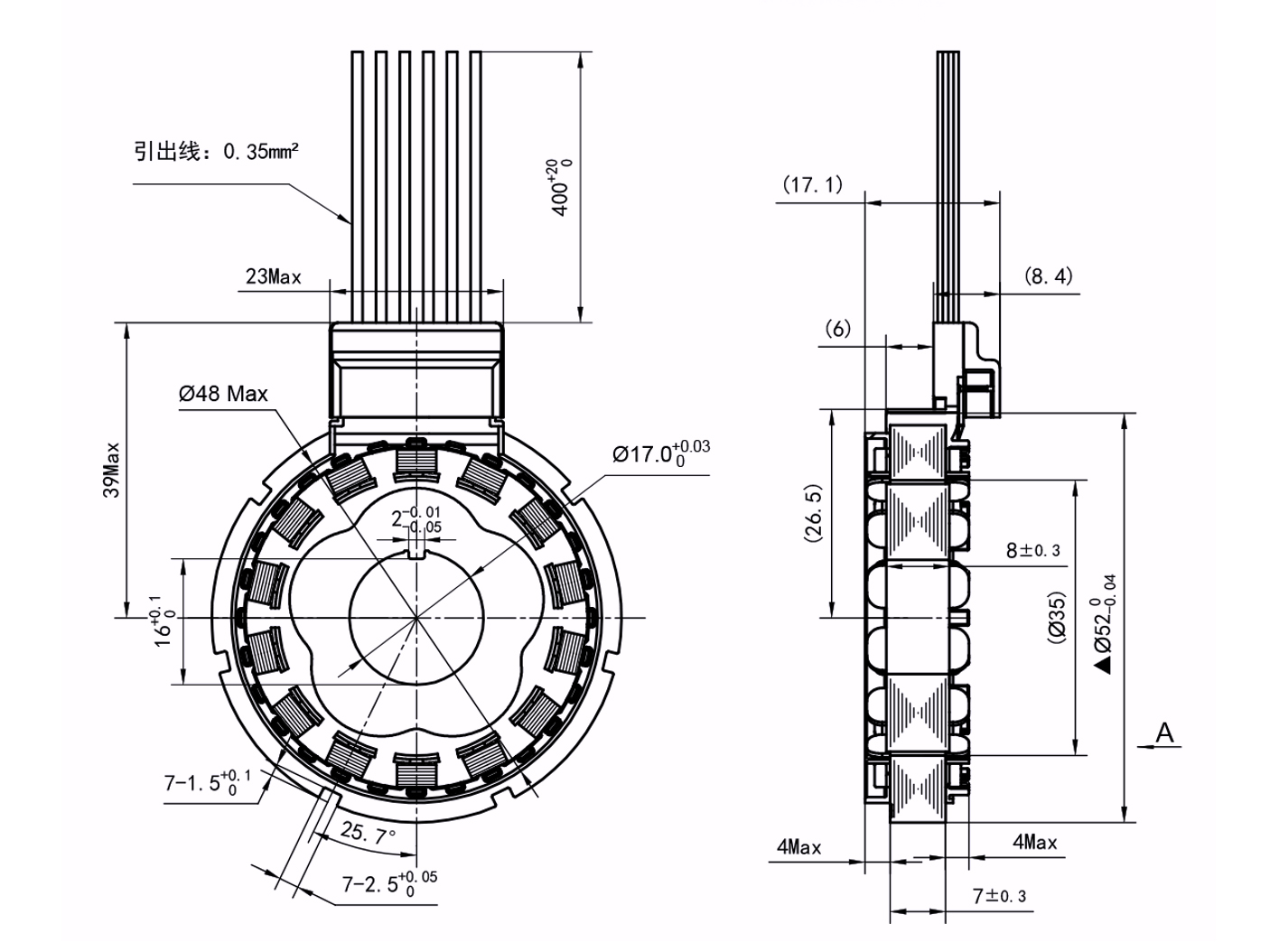
磁阻式旋变52XU75A80-旋转变压器
型号 | 52XU75A80170 |
极对数 | 5 |
励磁电压 | AC 7Vrms/10Khz |
变压比 | 0.286±10% |
电气误差 | ±24’MAX |
励磁阻抗 | 120Ω±10% |
相位移 | TBD |
耐电压 | 对地:AC600V, 1sec; 匝间:AC300V, 1sec; 漏电流 1mA MAX. |
绝缘电阻 | 2250ΜΩ ΜΙΝ, 500VDC |
允许最大转速 | 20000rpm |
工作温度范围 | -40°C-155℃ |
转子内径 | Φ17 |
定子厚度 | 7mm |
转子厚度 | 8mm |