
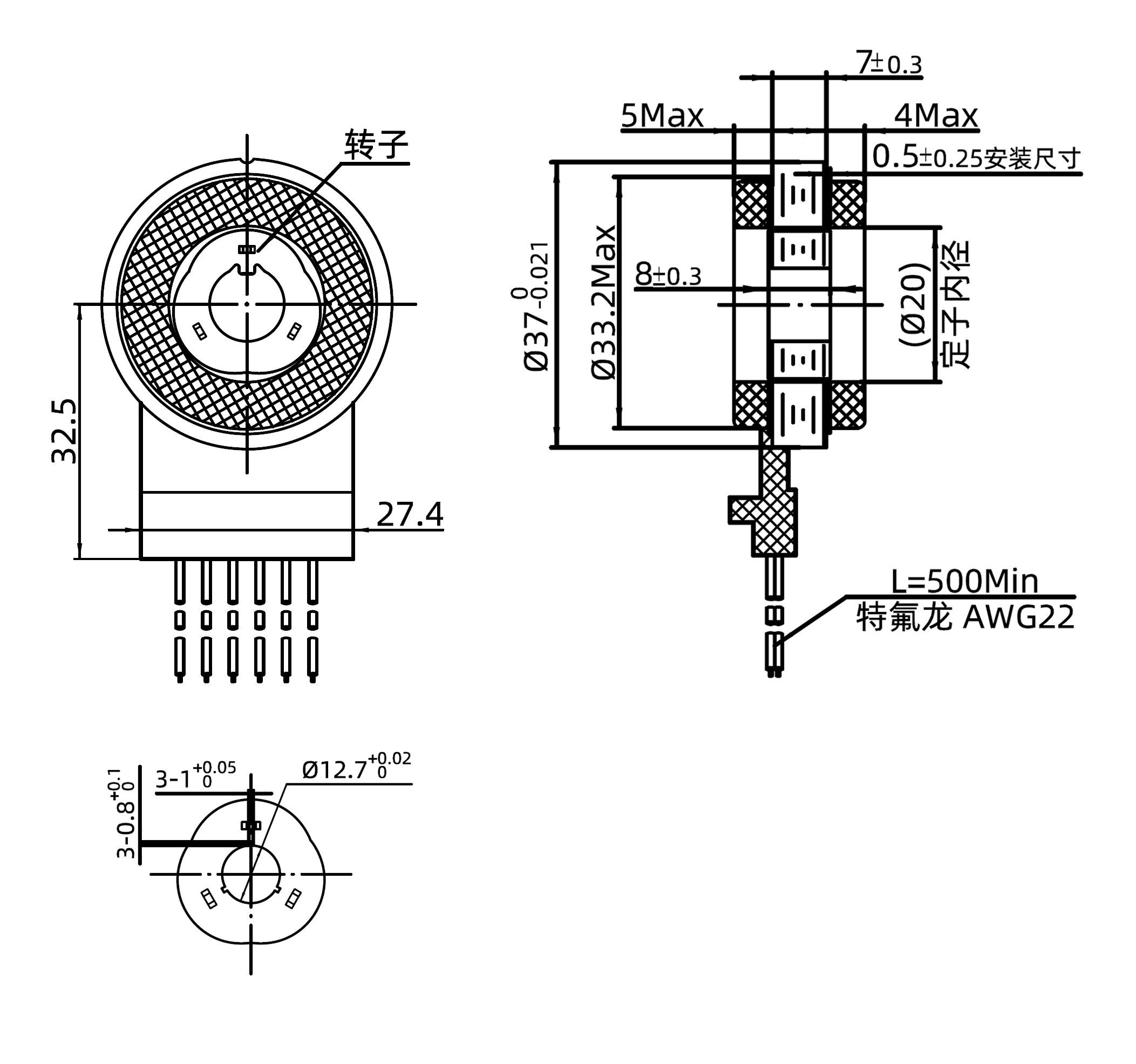
磁阻式旋变J37XU7103-旋转变压器
技术图纸
技术参数
| 项目 | 参数 | 备注 | |
| 型号 | J37XU7103 | ||
| 极对数P | 3 | ||
| 激励电压 | 7V | 有效值 | |
| 激励频率 | 10KHz | ||
| 输出电压 | (2士10%)V | ||
| 变压比 | 0.286±10% | ||
| 电气误差 | ±45′ | ||
| 输入阻抗 | (100±10%)Ω | ||
| 激励电阻 | (21.5±10%)Ω | ||
| Sin电阻 | (36±10%)Ω | ||
| Cos电阻 | (36±10%)Ω | ||
| 耐压 | 对地:AC500V 1min | 10mA | |
| 相间:AC250V 1min | 10mA | ||
| 绝缘电阻 | DC 500V 1min | 250MΩ | |
| 净重 | 0.04Kg | ||
| 最大工作转速 | 20000rpm | ||
| 工作温度范围 | -40℃-+155℃ | ||




