联系我们
产品中心
首页
关于我们
产品中心
旋转变压器
磁阻旋变
小型旋变
大型旋变
中型旋变
无刷旋变
工业框架部件
线缆保护系统
电路板配件
其他零部件
管塞、铆钉、脚垫
绝缘子
行业资讯
产业动态
产业政策
公司新闻
行业讯息
应用领域
传统工业
光伏领域
新能源汽车
电子智造
资料中心
下载中心
其他信息
旋变介绍
材料说明
联系我们
Tel:180-1361-9854
首页
产品中心
详情
产品中心
大型旋变
旋转变压器
磁阻旋变
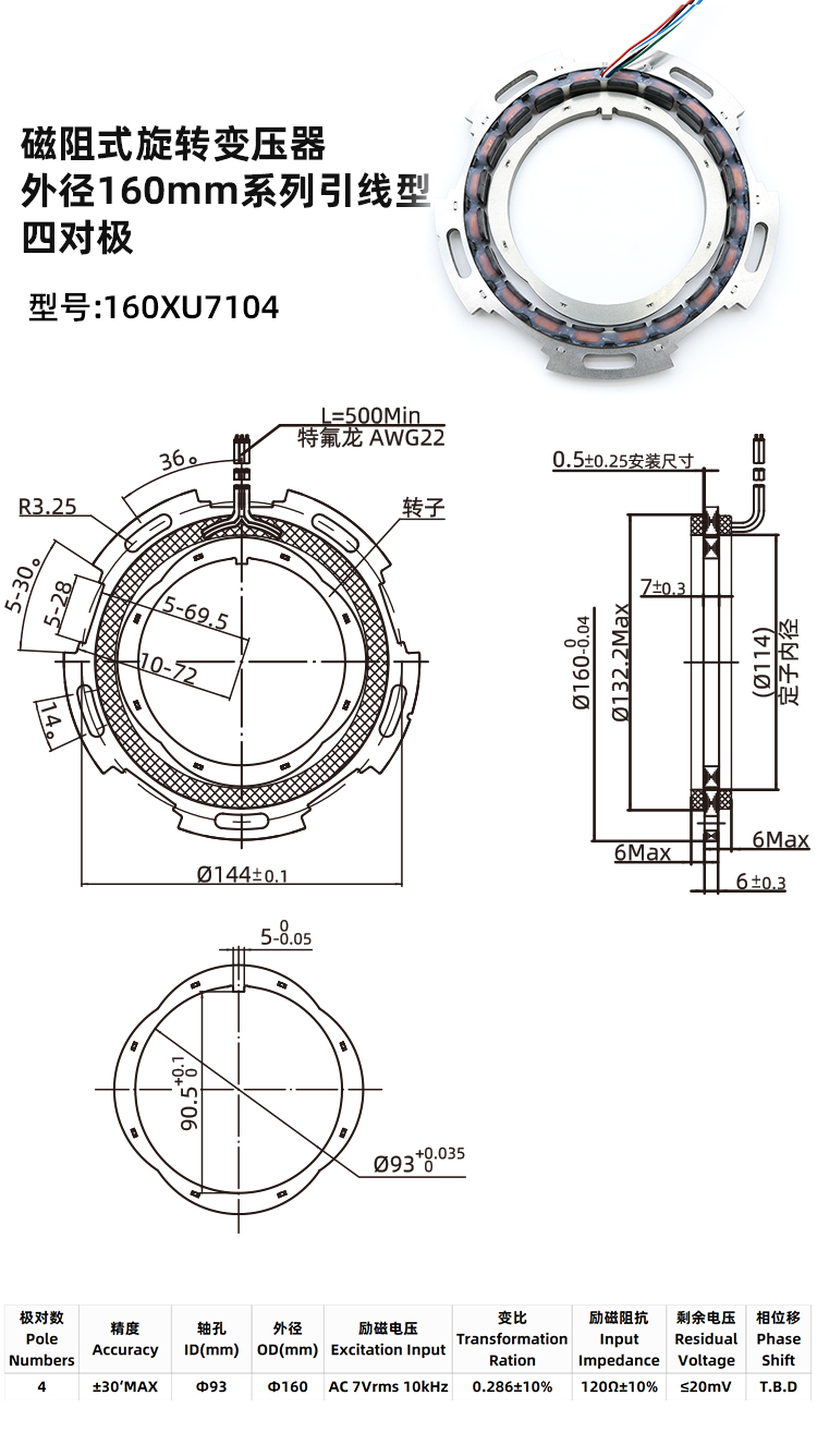
磁阻式旋变160XU7104-旋转变压器
外径160mm 轴孔93mm 4对极
分享:
微信
微信扫一扫
Email
复制链接
微博
磁阻式旋变151XU7108A-旋转变压器
« 上一篇
2025-09-18
磁阻式旋变160XU7106-旋转变压器
下一篇 »
2025-09-18
相关产品
磁阻式旋变D52XU7105-旋转变压器
磁阻式旋变215XU7106-旋转变压器
磁阻式旋变G132CXU7106-旋转变压器
旋转变压器151XU7106-磁阻式旋变
返回顶部
文章
产品
中文
English