
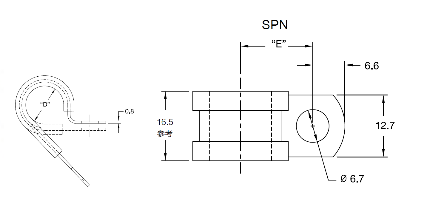
GSPN镀锌钢线夹
| 零件编号 | “E”参考(mm) | “D” 捆扎直径 Ø(mm) | 标准包装 |
| GSPN-3 | 12.7 | 4.8 | 500 |
| GSPN-4 | 13.5 | 6.4 | 500 |
| GSPN-5 | 14.2 | 7.9 | 500 |
| GSPN-6 | 15 | 9.5 | 500 |
| GSPN-7 | 15.7 | 11.1 | 500 |
| GSPN-8 | 16.5 | 12.7 | 500 |
| GSPN-9 | 19.1 | 14.3 | 500 |
| GSPN-10 | 19.8 | 15.9 | 500 |
| GSPN-11 | 20.6 | 17.5 | 500 |
| GSPN-12 | 21.3 | 19.1 | 500 |
| GSPN-14 | 22.9 | 22.2 | 100 |
| GSPN-16 | 24.4 | 25.4 | 100 |
| GSPN-18 | 26.7 | 28.6 | 100 |
| GSPN-20 | 28.2 | 31.8 | 100 |

GSPNW镀锌钢线夹
| 零件编号 | 尺寸 (mm) | 标准包装 | |
| “E”参考(mm) | “D” 捆扎直径 Ø (mm) | ||
| – | – | ||
| GSPNW-4 | 16 | 6.4 | 100 |
| GSPNW-5 | 16.8 | 7.9 | 100 |
| GSPNW-6 | 17.5 | 9.5 | 100 |
| GSPNW-7 | 18.3 | 11.1 | 100 |
| GSPNW-8 | 19.1 | 12.7 | 100 |
| GSPNW-10 | 22.4 | 15.9 | 100 |
| GSPNW-11 | 23.1 | 17.5 | 100 |
| GSPNW-14 | 25.4 | 22.2 | 100 |
| GSPNW-16 | 26.9 | 25.4 | 100 |
| GSPNW-20 | 30.7 | 31.8 | 100 |




